13:30 Siemens MINIREG F33 Operating Instructions Current controlled field supply Series 6DM1001-0WB00-2 for DC motors | |
|
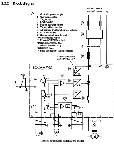
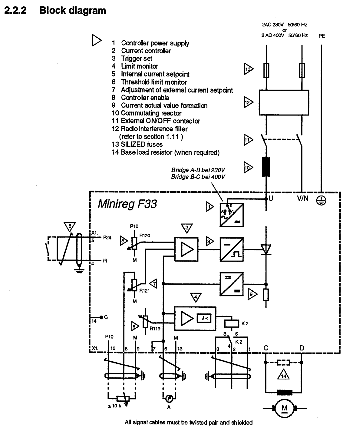
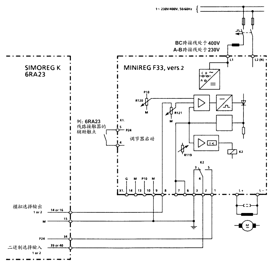
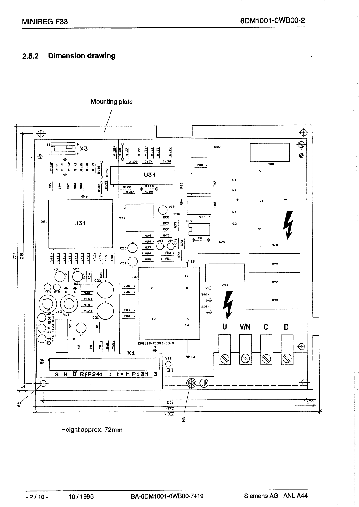
Siemens_MINIREG_F33_Operating_Instructions.pdf - EN/DE Current controlled field supply Series 6DM1001-0WB00-2 for DC motors 10/1996 BA-6DM1001-0WB00-7419 Application The “F 33 Minireg” board is a current-controlled thyristor power unit with half-controlled single-phase bridge circuit, which is used for the field supply of DC shuntwound motors. Power section The power section consists of a module containing two thyristors, two diodes in half-controlled single-phase bridge circuit and an additional free-wheeling diode. An aluminum support plate serves simultaneously as heatsink for the module. Current actual value sensing The current actual value is measured on the DC side of the power section with a chopper converter. With this measuring method, the “zero diode current” of the thyristor circuit is also sensed. Current controller When the F 33 Minireg Version 2 is used for the field supply of DC shunt-wound motors, the current controller has the task of keeping the current through the field winding constant, independently of temperature rise and supply voltage fluctuations, according to a specified setpoint. The setpoint which, for example, corresponds to the rated field, can be set with potentiometer R120. Monitoring A limit monitor is provided for monitoring the load current by comparing the current actual value to a selectable reference value. Mounting Subrack 6DM9005 is intended for mounting a total of seven F 33 Miniregs. The F 33 Minireg can also be mounted on a vertical surface by means of four spacers, e.g. in a cubicle | |
|
| |
| Всего комментариев: 0 | |






