PLC, HMI, SCADA, INVERTERS, GSD PROFIBUS,
GSDML PROFINET, EDS CanOpen, INDUSTRIAL AUTOMATION
Menu
Главная страница / Main page
Каталог файлов / File directory
Обратная связь / Feedback
Помощь проекту/Donate
Главная
»
2025
»
Декабрь
»
30
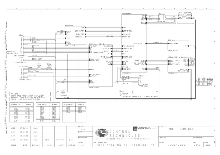
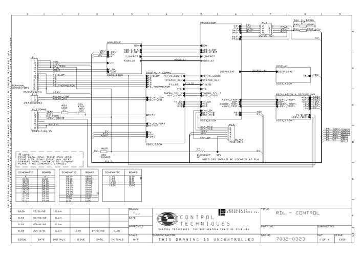
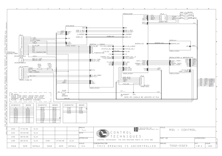
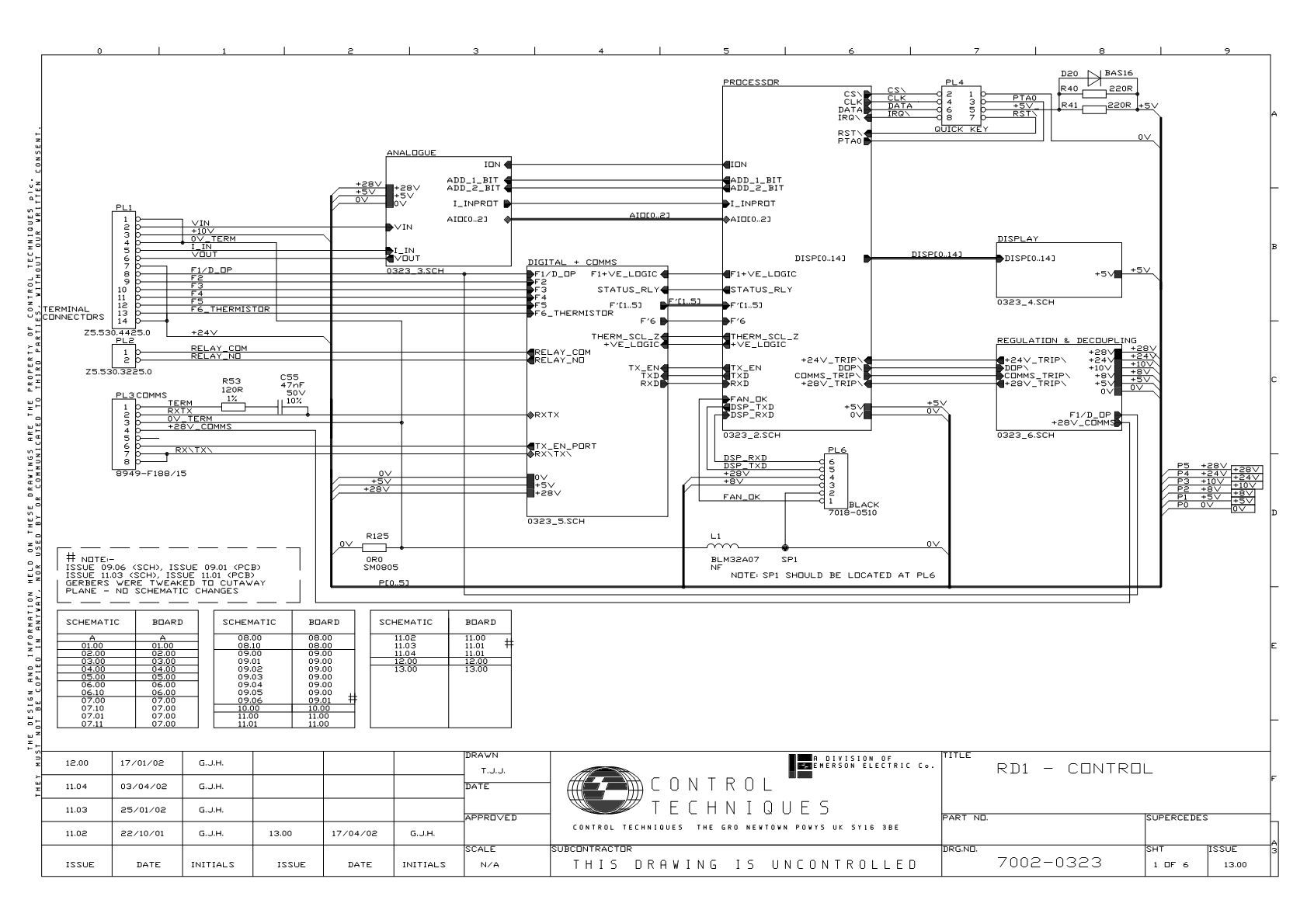
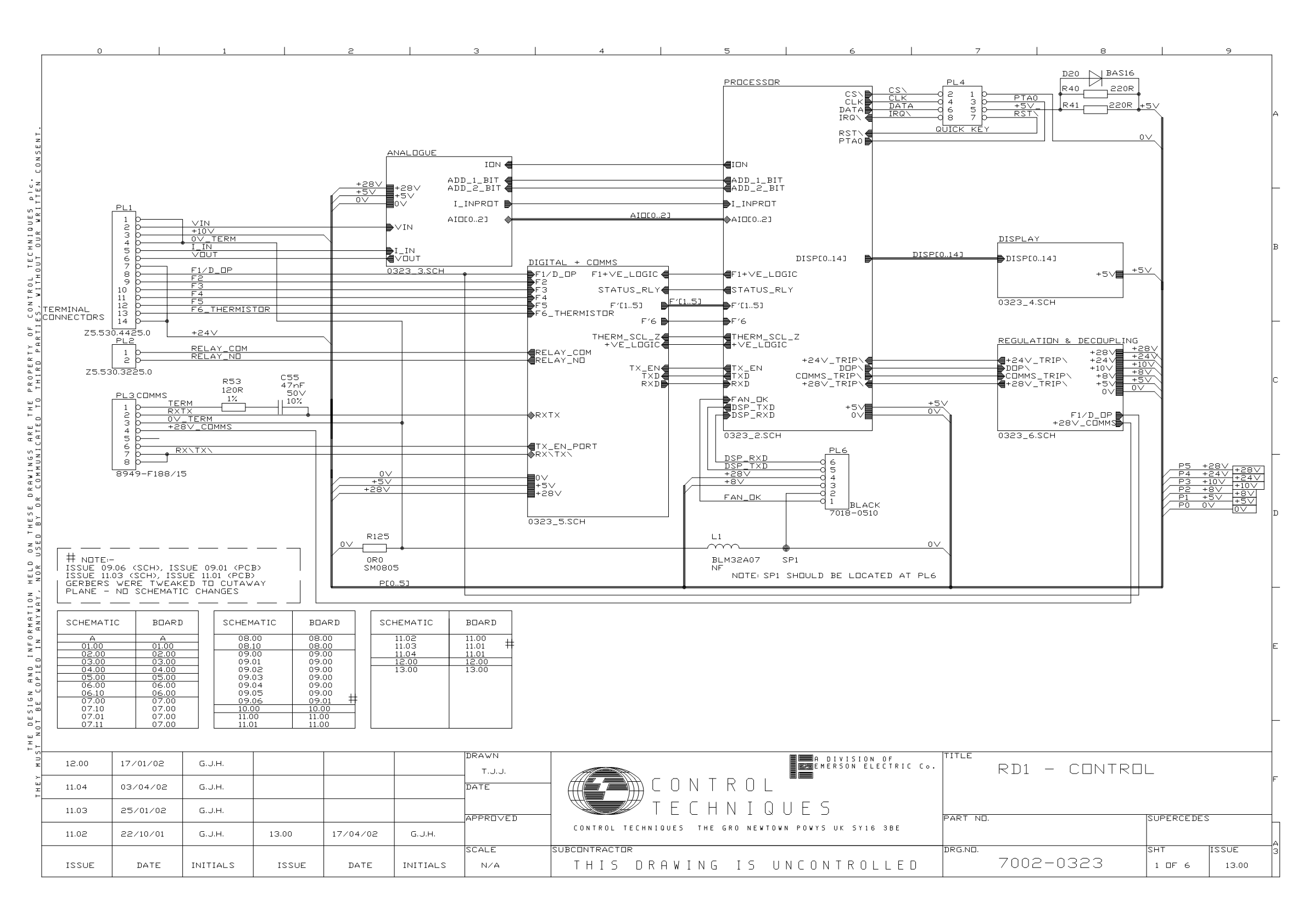
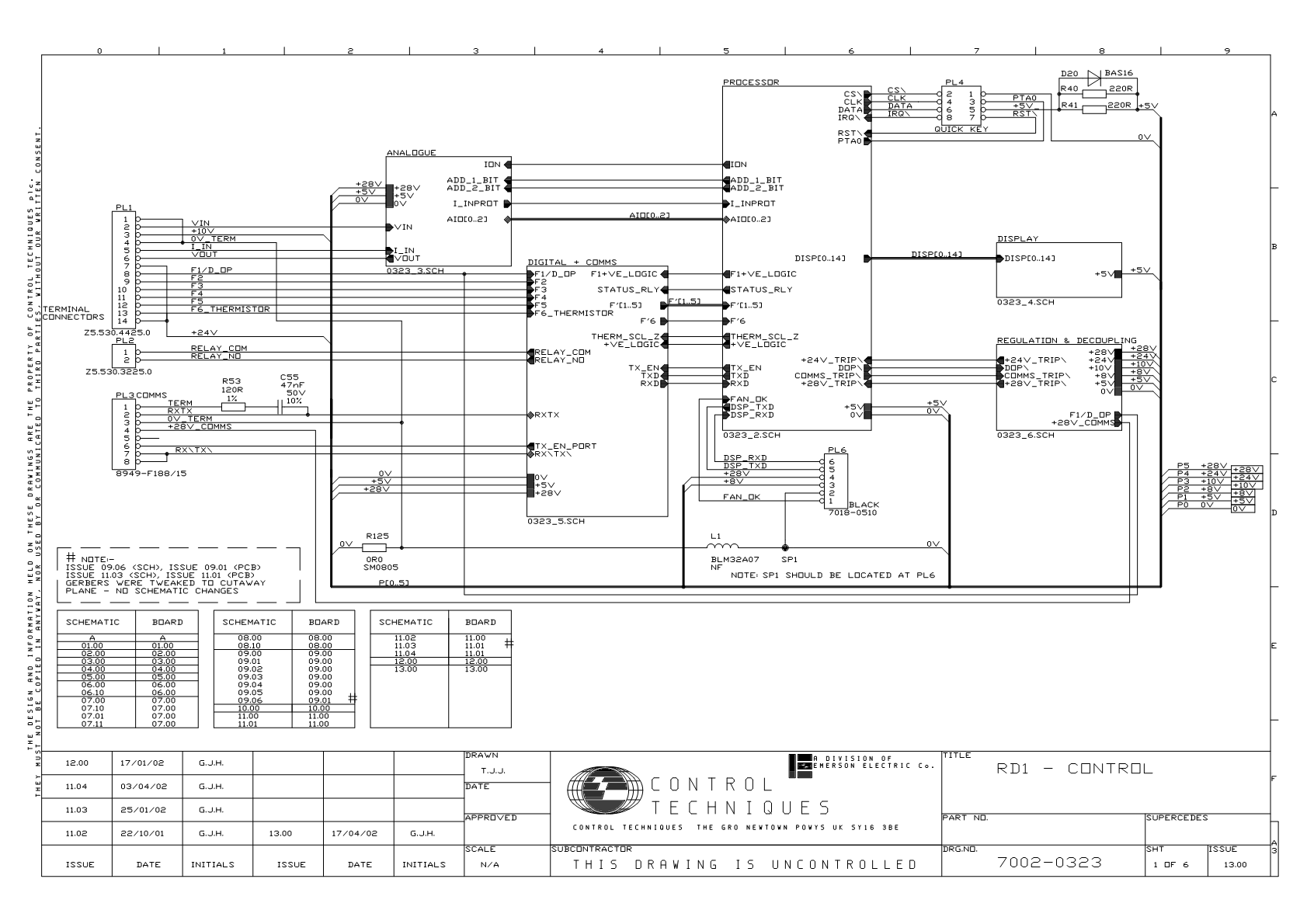
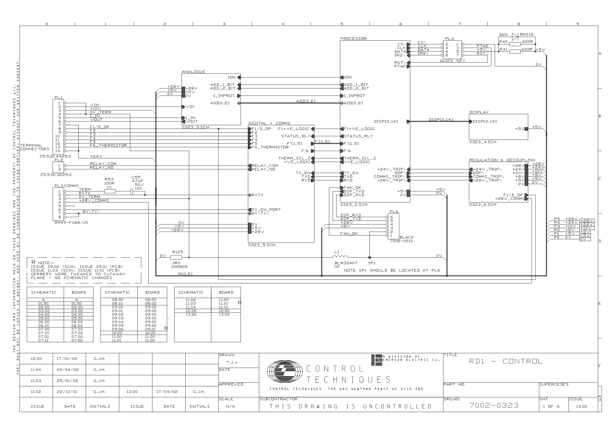
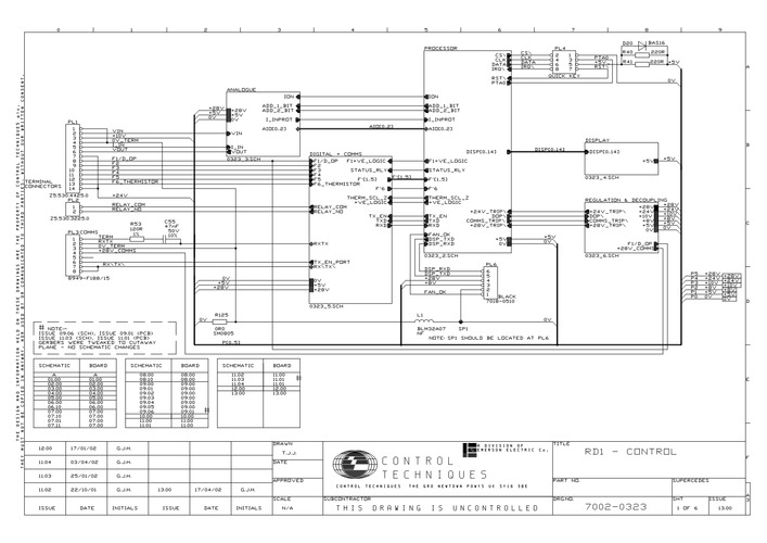
» Control Techniques Unidrive Commander SE Принципиальные схемы
12:57
Control Techniques Unidrive Commander SE Принципиальные схемы
Unidrive_Commander_SE.rar
1
2
3
4
5
Категория:
Control Techniques
|
Просмотров:
110
|
Добавил:
gt7600
|
Рейтинг:
5.0
/
1
Всего комментариев:
0
Войдите:
Отправить